输出电压(Voltage):0-3000V (可根据客户需求定制)
输出电流(Current):0-30000A (可根据客户需求定制)
调整精度(Control accuracy):1%
频率(Frequency):20-2000HZ、50-5000HZ、5K-10KHZ、10K-20KHZ、20K-40KHZ(频率连续可调,也可根据客户要求定做频率)
占空比(Duty Ratio):0~100%
导通(正向)时间(Turn-on (forward) time): 0.1~999ms
关断(反向)时间(Turn-off (reverse) time): 0.1~999ms
二、产品应用:
微弧氧化、电镀、电解、电加热、水处理、电絮凝、铝氧化、电解抛光、电加工行业、高校及科研院所研究和试验。
应用领域:
1、电镀行业:适用于金、银、稀有金属、镍、锌、锡、铬及合金等的电镀
2、电加工行业:脉冲电化学精密加工和精密蚀刻,用于加工硬度较高的精密工件
3、电抛光去毛刺行业:脉冲电化学抛光、等离子体电浆抛光等
4、氧化行业:脉冲阳极氧化、微弧氧化等
5、水处理行业:适用于印染、染料化工、医院、皮革、电镀等行业的废水和污水处理
6、其他行业:脉冲纳米电沉积、脉冲电解回收等要求较高行业
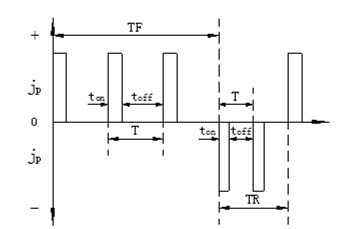
二、双脉冲输出波形说明:

a、+jp正向脉冲(或称正脉冲)峰值电流,-jp反向脉冲(或称负脉冲)峰值电流
b、ton峰值电流导通时间,toff峰值电流关断时间
c、T是一个脉冲通断周期,T=ton+toff
d、TF是一组正向脉冲工作时间,TF=nT(n≥1);TR是一组反向脉冲工作时间,TR=-nT(n≥1)
e、TF+TR是正、反向脉冲换向的一个周期(一般TF>TR)
四、主要特点:
1、规格范围:输出电压0-1000V、输出电流0-9000A、输出功率10W-800kW
2、稳压稳流: 电压电流值均可从零至额定值连续可调,稳压稳流自动转换
3、频率范围:低频段:0.1HZ-100HZ连续可调,中频段:100HZ-5000HZ连续可调,高频段:5KHZ-100KHZ连续可调
4、占空比范围:正负占空比分别可0-100%连续可调,当100%时即为纯直流输出,亦可以调制成单脉冲和纯直流使用
5、输出显示: 正电压、正电流,负电压、负电流、频率,正占空比、负占空比、正负脉宽比例同时LED数码管显示(标配);亦可选用触摸屏控制
6、智 能 化:可选用标准通讯接口RS232、RS485与计算机连接实现人机界面控制(选配)
7、模拟信号接口:用户可用0-5V/10V或4-20mA信号控制电源的相应参数(选配)
五、技术参数及规格:
表1、技术参数
|
输入 |
电压 |
单相220V或者三相380V±15% |
|
|
(可按要求定制单相110V及三相220V机型) |
|||
|
频率 |
46-63Hz |
||
|
功率因数 |
≥0.95 |
||
|
输出 |
电压 |
0~3000V(电压范围可选) |
|
|
电流 |
可做到15000A(平均电流) 客户可选择自己所需的电流范围 |
||
|
峰值电流 |
30000A(峰值) 常规:峰值电流一般为平均电流的2或3倍 |
||
|
功率 |
输出电压X平均电流=功率 |
||
|
小功率可做到1KW以内,大功率可做到1KW-500KW |
|||
|
波形 |
脉冲方波和平滑直线 |
||
|
占空比 |
0-100%(连续可调)占空比100%时纯直流输出 |
||
|
频率 |
20-2000HZ、50-5000HZ、5K-10KHZ、10K-20KHZ 20K-40KHZ(频率连续可调,也可根据客户要求定做频率) |
||
|
电压稳定精度 |
≤1% |
||
|
电流稳定精度 |
≤1% |
||
|
控制 |
手动:电位器控制 |
||
|
自动:PLC或计算机控制 |
|||
|
显示 |
LED数显或液晶屏显示:输出正电压、正电流值、负电压、负电流值、频率、正占空比、负占空比、正负脉宽比例、故障显示 |
||
|
电源效率 |
≥90%(额定工况) |
||
|
保护功能 |
输入过、欠压,输出限压、限流、过流、过压,过热等 |
||
|
可靠性及寿命 |
使用寿命 |
≥20年 |
|
|
工作状态 |
可满负荷长时间运行 |
||
|
环境 |
工作温度 |
-10℃~50℃ |
|
|
存贮温度 |
-25℃~60℃ |
||
|
相对湿度 |
≤90%(25℃) |
||
|
综合特性 |
噪音 |
<65dB,额定工况下(1m处) |
|
|
可选配置 |
内置式安培小时(分钟)计、外置式安培小时(分钟)计。 |
||
|
冷却方式 |
风冷或水冷(可选) |
||
| 外观尺寸 | 便携式、台式、机架式、柜式(可选) | ||
表2:产品规格
|
输出电压 |
输出电流 |
||
|
0-24V |
10A/20A/30A/50A/100A/200A/300A/500A |
||
|
0-50V |
10A/20A/30A/50A/100A/200A/300A/500A |
||
|
0-100V |
10A/20A/30A/50A/100A/200A/300A/500A |
||
|
0-300V |
10A/20A/30A/50A/100A/200A/300A/500A |
||
|
0-500V |
10A/20A/30A/50A/100A/200A/300A/500A |
||
|
输出电压可定制(0-3000V),输出电流可定制(0.01MA-10000A) |
|||





